Kompakti A1vo-sarjan 10 koon 18-35 muuttuva pumppu
Rexroth Compact A1vo Series 10, koko 18-35 muuttuva pumppu avoimella piirillä
Ominaisuudet
Erittäin taloudellinen kuormitus{0}}tunnistava mäntäpumppu – vaihtoehto kiinteille-syrjäytyspumpuille
Alhaiset pakokaasupäästöt ja parempi polttoainetehokkuus ovat sekä rakennuskoneiden valmistajien että{0}}loppukäyttäjien keskeisiä prioriteetteja. Tehokkuutta on lisännyt merkittävästi muuttuvan tilavuuden pumput ja hydraulijärjestelmät, jotka säätelevät tehoa reaaliaikaisen -tarpeen mukaan. Historiallisesti muuttuvan tilavuuden pumput rajoittuivat suuritehoisiin-laitteisiin. kustannusesteiden vuoksi pienitehoisten koneiden oli oltava riippuvaisia-intensiivisistä avoimista-keskijärjestelmistä, jotka oli yhdistetty kiinteän-syrjäytyspumppuihin. Bosch Rexrothin muuttuvatilavuuksinen aksiaalimäntäinen A1VO-pumppu on kuronut hintaeroa umpeen vertailukelpoisten pienikokoisten hammaspyöräpumppujen kanssa.
Toiminnot
1. Kompakti, joustava ja luotettava muotoilu
Suorituskykyparametreilla ja kiinteällä{0}}tilavuusvaihteistolla varustettujen hammaspyöräpumppujen kompakti tilanjälki tarjoaa A1VO:n valmistajille mahdollisuuden vaihtaa saumattomasti perinteisistä vaihtoehdoista. Se tarjoaa lähes 90 %:n tehokkuuden ja käyttöiän, joka vastaa Bosch Rexrothin A1VO- ja A10VNO-pumppuja-kahteen malliin, joihin on laajalti luotettu suuritehoisissa laitteissa.
Se on varustettu täysin toimivalla-läpivientiakselilla, ja se tukee erikokoisia läpi-akselikäyttöjä, joten A1VO:n yhdistäminen muihin pumppuihin on helppoa. Sen kompakti rakenne on lisäksi mahdollista 7{{6}männän pyörivällä ryhmällä, joka integroi kaikki öljyportit ja ohjaimet aukkolevyyn. Lisäksi kaikkien korkeapaineliitäntöjen poistaminen kotelosta parantaa tiivistyskykyä.
2. Monipuoliset ohjaustilat erilaisiin järjestelmiin
A1VO tukee useita ohjaustyyppejä, mukaan lukien DR-ohjaus, kuorman{1}}sensing-ohjaus ja ED-ohjaus. Tämä monipuolisuus mahdollistaa sen kustannustehokkaan korvaavan-kiinteän-tilavuuspumpun lukemattomissa hydraulijärjestelmissä-pienten koneiden hydraulikomponenteista suurien laitteiden lisätoimintoihin (esim. tuulettimet, ohjaustehostimet).
3. Polttoaineensäästöt LS-hydrauliikan komponenttien avulla
Hydraulisten osien kuorman-tunnistin (LS) on ratkaisevan tärkeä energiatehokkuuden parantamiseksi-, ja tästä syystä A1VO:ta on käytetty menestyksekkäästi pienissä traktoreissa. Bosch Rexrothin insinöörit laskivat kattavissa simulaatioissa, joissa käytettiin OEM-moottoria yhdistettynä kaupallisesti saataviin 90 hv (66 kW) dieselmoottoriin, että energiankulutusta voidaan vähentää 10–16 % työtuntia kohden.
Kun muuttuvatilavuuksinen pumppu toimii osittaisella kuormituksella-kuten kuljetuksen aikana tai yhdistettynä etu-päätykuormaajaan-, se maksimoi dieselpolttoaineen säästön. Traktorin tyypillisen 6 000 tunnin käyttöiän ja vakiokuormitusprofiilin perusteella voidaan saavuttaa noin 10 000 litran dieselin kokonaissäästö.

Sovellus:


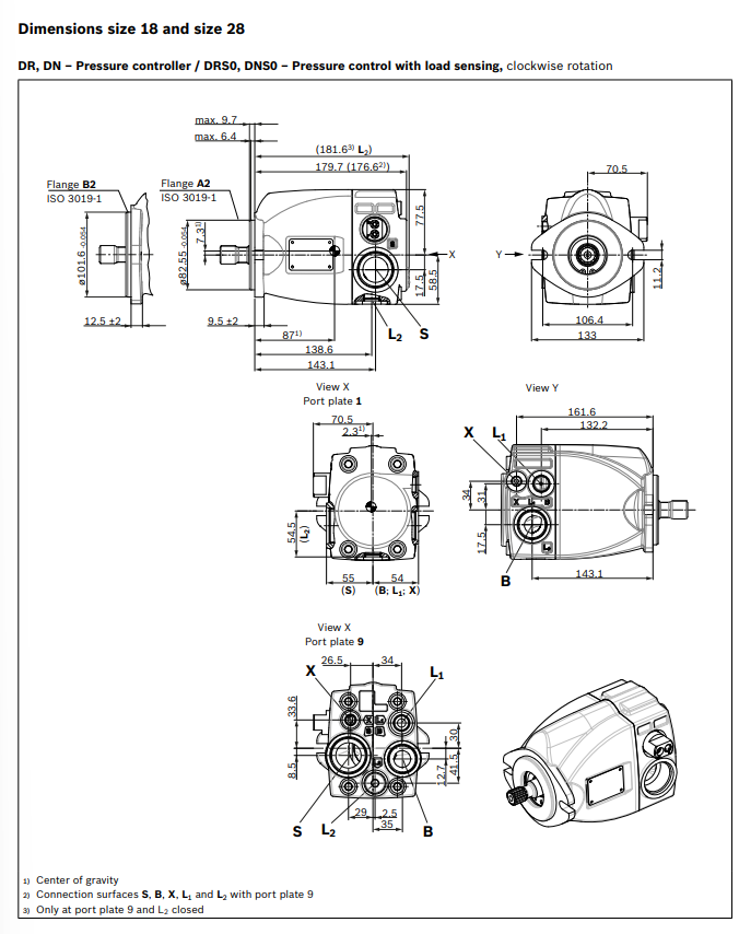
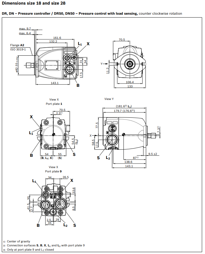
Yksityiskohtaiset kuvat




Tilauskoodit

Asennusohjeet




Yrityksen profiili




Paketin kuvat

Näyttelyt




Meidän etumme
Miksi valita HYLEMAN?
Ensiluokkaista laatua asiantuntemuksen tukemana15 vuoden kokemuksella hydraulipumppujen suunnittelusta, tuotekehityksestä ja valmistuksesta tuotteemme tarjoavat huippulaatua-, joka kilpailee sekä kotimaisten että kansainvälisten valmistajien kanssa. Jokaisella yksiköllä on 1 vuoden takuu lisäämään mielenrauhaa.
Tiukka laadunvarmistusKäytämme tiukkaa laadunvalvontajärjestelmää: 100 % tuotteista testataan ennen toimitusta, ja jokaiselle yksikölle on määritetty yksilöllinen seurantakoodi. Tämä täydellinen-prosessin valvonta varmistaa tasaisen laadun jokaiselle asiakkaalle.
Huippuluokan---taiteen valmistuslaitteetTuotantomme perustuu uusiin Saksasta ja Japanista tuotuihin CNC-koneisiin. Näiden edistyneiden työkalujen avulla voimme täyttää entistäkin korkeammat tuotteiden tarkkuuden vaatimukset.
Vahvat tekniset ominaisuudetTeknisellä tiimillämme on yli 20 vuoden kokemus pumppujen suunnittelusta ja suunnittelusta, ja pääinsinöörimme tuo mukanaan yli 40 vuoden alan asiantuntemusta. Meillä on myös 15 hengen tutkimus- ja kehitystiimi, joka on omistautunut pumpun optimointiin ja uusien tuotteiden kehittämiseen.
Kilpailukykyinen hinnoitteluTehokkaiden johtamiskäytäntöjen ansiosta hintamme ovat kilpailukykyisempiä kuin alkuperäiset (OE) -vaihtoehdot ja edullisemmat kuin useimpien kotimaisten toimittajien tarjoamat.
Nopea toimitusToteutamme pienet tilaukset viikon sisällä. Suuremmat tilaukset-kuten jopa 500 pumpun tai patruunasarjan erät-toimitetaan yleensä yhden kuukauden kuluessa.
Luotettava takuusuojaKaikilla HYLEMAN-tuotteilla on 1 vuoden takuu, joka alkaa lähetyspäivästä tehtaaltamme.
Huolellinen asiakastukiTarjoamme ympärivuorokautista teknistä tukea--vuorokauden ympäri asiakkaiden tuotteen käytön aikana kohtaamiin ongelmiin, ja pyrimme toimittamaan ratkaisut mahdollisimman nopeasti.
Pitkäaikaiset-strategiset kumppanuudetPyrimme rakentamaan pitkäaikaista{0}}strategista yhteistyötä asiakkaiden kanssa ja työskentelemään yhdessä kasvattaaksemme HYLEMAN-brändiä. Tuemme ja koulutamme myös mahdollisia kumppaneita edustajiksi alueilla ja maissa maailmanlaajuisesti.
Suositut Tagit: kompakti a1vo-sarja 10 koko 18-35 muuttuva pumppu, Kiina kompakti a1vo-sarja 10 koko 18-35 muuttuva pumppu valmistajat, toimittajat, tehdas
Saatat myös pitää
Lähetä kysely














